一下文字引用长沙航天和一电子设备厂官网内容网页链接
什么是高清编码器?高清编码器的作用及高清编码器的技术指标
高清编码器也称为数字编码器、视频编码器、高清视频编码器、数字电视编码器、网络视频编码器、数字视频编码器,主要的作用就是将输入的数字视音频信号源进行数字编码处理(包括HDMI信号源、SD-SDI信号源、HD-SDI信号源),常用编码方式为MPEG-2、MPEG-4、H.264、H.265等,编码成为可以实时传输的TS流数据,然后把数据流封装为ASI形式或者IP形式输出给下一级设备使用,比如IPQAM调制器、数字电视调制器、数字调制器,DTMB调制器等设备;ASI形式一般为BNC接口输出,IP形式为1000M以太网接口RJ45,IP数据流一般会支持TS/HLS/RTSP/FLV/RTMP/UDP/RTP/单播/组播等协议。
高清编码器是数字高清电视系统、IPTV网络电视系统、网络视频直播系统中的重要设备。
常见的高清编码器有哪些?
输入信号源为HDMI的高清编码器被称为HDMI高清编码器(例如长沙航天和一公司生产的HY-8804BH型四路HDMI数字高清编码主机);
编码方式H.264的高清编码器被称为H.264高清编码器;
输出接口为IP形式的高清编码器被称为IP编码器或网络编码器、直播编码器;
高清编码器主要运用在哪里?
高清编码器可以广泛应用于各类广电有线高清数字电视系统、IPTV电视直播系统和网络直播、卫星数字电视系统、远程教学、运程医疗、高清监控等。

高清编码器背面图片:

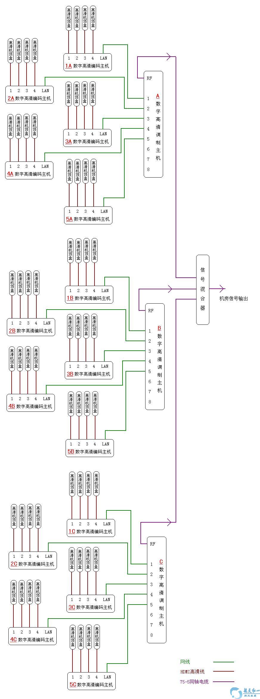
高清编码器在数字电视系统使用中连接拓扑图:

高清编码器技术指标:
输入接口
HDMI
4路HDMI 1.3(内嵌音频)
独立音频
2路立体声或双声道,3.5mm模拟音频接口
输出接口
IP
1000M以太网接口, RJ45, TS over TCPIP/UDP,
数据流支持TS/HLS/RTSP/FLV/RTMP/UDP/RTP/组播
音频编码
采样频率
44.1KHz、48KHz
码率
48-128Kbps可调(每个通道)
编码方法
AAC,AAC+,AAC++,MP3可选
RTSP流使用
G711A编码
禁用/启用,可选
视频编码
分辨率
1920×1080@60P,1920×1080@50P,
1920×1080@60i,1920×1080@50i,
1280×720@60P,1280×720@50P,
720×480@60i,720×576@50i,
与输入分辨率相同自适应等多种格式
编码模式
H.264/AVC
H.264级别
baseline profile/main profile/high profile
码流控制
cbr、vbr,可选(每个通道)
编码帧率
5-60可调(每个通道)
关键帧间隔(帧)
5-300可调(每个通道)
比特率(kbit)
32-32000可调(每个通道)
常规特性
尺寸
482mm×410mm×44mm,1U机箱
环境
0~45℃(工作);-20~80℃(储存)
电源
100VAC-240VAC,50/60Hz,支持外接2个12V直流电源适配器(DC/12V/3A)*2
重量
≤3KG
整机功耗
≤25W
