酷问十五

  • 网站首页
  • 百科知识
  • 百科问答
  • 生活百科
位置:首页> 百科知识>

宿州电大在线

时间:2026-04-12 07:13:00 浏览:831次

宿州电大在线

有一个入学水平测试,内容很简单,具体您可以咨询一下当地正规电大。

标签:电大,宿州,在线

相关文章

在线扫描英译汉在线翻译器

在线扫描英译汉在线翻译器

电大中专是什么文凭,国 家承认吗?

电大中专是什么文凭,国 家承认吗?

在线看电影 用吉吉影音看 结果成这样了 怎么设置

在线看电影 用吉吉影音看 结果成这样了 怎么设置

  • 1 宿州市教育局的领导介绍 902 阅读
  • 2 在线看电影 在线电影网 电影在线观看 在线电影网站 土豆网在线看电影 880 阅读
  • 3 电大英语学位证考试 890 阅读
  • 4 在线版ps或在线版美图秀秀 怎么抠图 851 阅读
  • 5 在线名词解释网站 904 阅读

热门文章

  • 堀北真希主演的电视剧或电影有哪些?求全的!!!!

    堀北真希主演的电视剧或电影有哪些?求全的!!!!

    12-25 1266次
  • 半宝石是天然的水晶吗?

    半宝石是天然的水晶吗?

    10-25 1228次
  • serendipity翻译中文是什么意思?

    serendipity翻译中文是什么意思?

    02-01 1226次
  • 华润万家超市官方网站

    华润万家超市官方网站

    10-25 1222次
  • 完美SF古叶挂怎么调秒人!

    完美SF古叶挂怎么调秒人!

    10-25 1219次
  • 笑里藏刀指什么生肖?

    笑里藏刀指什么生肖?

    11-13 1211次

推荐文章

天龙八部好听的名字

天龙八部好听的名字

螺纹紧固胶有什么作用

螺纹紧固胶有什么作用

消防软管卷盘图集l13s4一17

消防软管卷盘图集l13s4一17

伺服电机如何控制?

伺服电机如何控制?

云海玉弓缘演员表

云海玉弓缘演员表

2019年保险继续教育网

2019年保险继续教育网

求NOD32升级ID激活码

求NOD32升级ID激活码

如何自制有机肥

如何自制有机肥

对数周期天线主要用在什么方面?

对数周期天线主要用在什么方面?

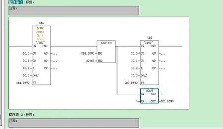
PLc单相记数和双相记数哪一种方法抗干扰性更强

PLc单相记数和双相记数哪一种方法抗干扰性更强

酷问十五,汇聚亿万网民头脑中的智慧、经验和知识,为用户提供发表提问、解答问题、搜索答案、资料查询、词条分享等全方位知识共享服务。

CopyRight © 2025 网站地图 - 闽ICP备2025090153号-9 - 联系邮箱:1465333496@qq.com