电风扇电机是单相电机,单相电机中有两组线圈,一组是主线圈也叫运行线圈,另一组是副线圈,也叫启动线圈。启动线圈与启动电容器相配合完成电机的启动、转向、转换、工作。电路原理图如下:

电风扇电机转向不需要转换,所以图中的转换开关不需要,转动方向决定后,转换开关就固定不动了。一般电风扇接线图如下:

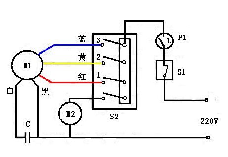
电风扇电机是单相电机,单相电机中有两组线圈,一组是主线圈也叫运行线圈,另一组是副线圈,也叫启动线圈。启动线圈与启动电容器相配合完成电机的启动、转向、转换、工作。电路原理图如下:

电风扇电机转向不需要转换,所以图中的转换开关不需要,转动方向决定后,转换开关就固定不动了。一般电风扇接线图如下:
